Target complex Programme for Research of NAS UKRAINE

«Development of scientific bases for hydrogen production, storage and use in autonomous energy supply systems»


Home

Program projects

On the most important:


Autonomous power supply based on fuel cells and alumohydrogen generator

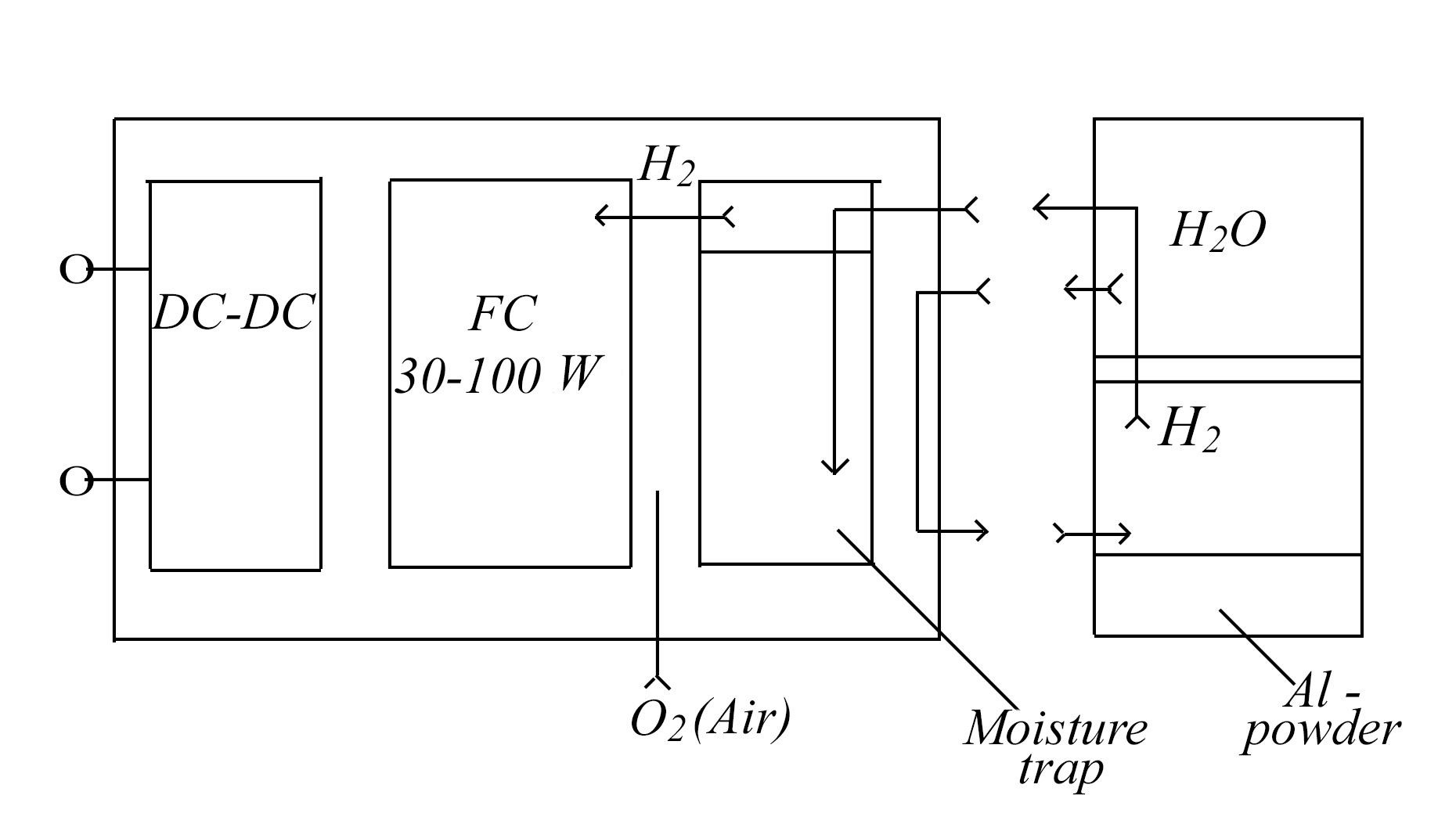
Scheme

Scheme of autonomous power source

Area of application

The results of this work may find application in the creation of autonomous, portable power supplies with a high ratio of energy to the mass of the source for use in everyday life, in transport, in space research and in the defense field.

Brief description

The autonomous power source will consist of fuel cells and a hydrogen generator, in which hydrogen will be formed as a result of aluminum hydrolysis of energy-storing substances (ESSs). Samples of low-temperature hydrogen-air fuel cells (HAFCs) and their batteries will be created based on high-performance, next-generation membrane-electrode blocks. ESSs capable of evolving hydrogen from water at room temperature will also be developed, and a hydrogen generator design will be proposed.

Expected results

It is assumed that the use of promising developments in the creation of an autonomous power source will increase the ratio of electricity generated to the mass of its source. Modern autonomous current sources based on fuel cells and hydrogen generators will have different performance and provide electrical power to a wide range of electrical and electronic devices.

Advantages

Combining an alumohydrogen generator and fuel cells in one unit will provide an autonomous power source for portable and mobile electric apparatuses and devices, which is especially important in the absence of stationary power supply. Generation of electric current in the developed power sources is an environmentally friendly process that does not worsen the environment.

Competitor

Hitachi Maxell,
DoCoMo in association with Aquafairy Co.,
Millennium Cell Inc.

Project development

A methodology for the preparation of aluminum based ESSs has been developed, in particular, with the use of low-melting metals and alloys as activating additives. It has been shown that such ESSs are capable of evolving hydrogen from water without additional heating. The authors are experienced in the development of experimental samples of hydrogen-air and hydrogen-oxygen fuel cells using efficient nanodispersed electrocatalysts with low platinum content based on carbon nanotubes and nanodispersed carbon black.

Contact information

Vernadskii Institute of General and Inorganic Chemistry, NAS of Ukraine

Project 16 "Autonomous Power Supply Based on Fuel Cells and Alumohydrogen Generator"

Project leader:

Pirskyy Yuriy

Doctor of Chemical Sciences
Nonstructural Laboratory of Materials for Electrochemical Energy

Е-mail: pirsky@ionc.kiev.ua